

GIHN-K..LO
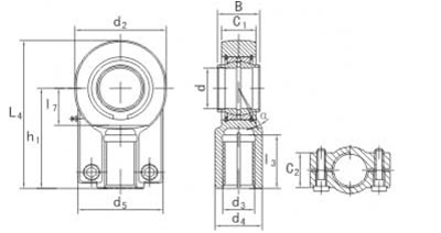
Rod end housing with right or left-hand female thread.
|
Bearing number
|
Dimenisions mm
|
Load ratings kN
|
Weight
|
||||||||||||
|
d
|
d3
|
d4
|
L3
|
B
|
C1
|
d2
|
L7
|
h1
|
L4
|
d5
|
C2
|
|
|
≈Kg
|
|
|
|
6H
|
|
min
|
|
|
|
min
|
|
|
|
|
Dynamic
|
Static
|
|
|
|
GIHN-K12LO*
|
12
|
M12x1.25
|
16.5
|
17
|
12
|
11
|
32
|
14
|
38
|
54
|
32
|
11
|
10.8
|
24.5
|
0.1
|
|
GIHN-K16LO
|
16
|
M14x1.5
|
21
|
19
|
16
|
14
|
40
|
18
|
44
|
64
|
40
|
14
|
17.6
|
36.5
|
0.2
|
|
GIHN-K20LO
|
20
|
M16x1.5
|
25
|
23
|
20
|
17
|
47
|
22
|
52
|
77
|
47
|
17
|
30
|
48
|
0.4
|
|
GIHN-K25LO
|
25
|
M20x1.5
|
30
|
29
|
25
|
22
|
58
|
27
|
65
|
96
|
54
|
19
|
48
|
78
|
0.66
|
|
GIHN-K32LO
|
32
|
M27x2.0
|
38
|
37
|
32
|
28
|
71
|
32
|
80
|
118.5
|
66
|
22
|
67
|
114
|
1.2
|
|
GIHN-K40LO
|
40
|
M33x2.0
|
47
|
46
|
40
|
33
|
90
|
41
|
97
|
146
|
80
|
26
|
100
|
204
|
2.1
|
|
GIHN-K50LO
|
50
|
M42x2.0
|
58
|
57
|
50
|
41
|
109
|
50
|
120
|
179.5
|
96
|
32
|
156
|
310
|
4.4
|
|
GIHN-K63LO
|
63
|
M48x2.0
|
70
|
64
|
63
|
53
|
136
|
62
|
140
|
213
|
114
|
38
|
255
|
430
|
7.6
|
|
GIHN-K70LO
|
70
|
M56x2.0
|
80
|
76
|
70
|
57
|
155
|
70
|
160
|
245
|
135
|
42
|
315
|
540
|
9.5
|
|
GIHN-K80LO
|
80
|
M64x3.0
|
90
|
86
|
80
|
66
|
168
|
78
|
180
|
270
|
148
|
48
|
400
|
695
|
14.5
|
|
GIHN-K90LO
|
90
|
M72x3.0
|
100
|
91
|
90
|
72
|
185
|
85
|
195
|
296
|
160
|
52
|
490
|
750
|
17
|
|
GIHN-K100LO
|
100
|
M80x3.0
|
110
|
96
|
100
|
84
|
210
|
98
|
210
|
322
|
178
|
62
|
610
|
1060
|
28
|
|
GIHN-K110LO
|
110
|
M90x3.0
|
125
|
106
|
110
|
88
|
235
|
105
|
235
|
364
|
190
|
62
|
655
|
1200
|
32
|
|
GIHN-K125LO
|
125
|
M100x3.0
|
135
|
113
|
125
|
102
|
260
|
120
|
260
|
405
|
200
|
72
|
950
|
1430
|
43
|